Exhaust air heat pump for residential

Project facts
Type: Residential, Detailed studies
Consultant: EQUA
Summary: Creating an advanced plant models in order to size an exhaust air heat pump in a residential building, which is connected to a district heating system.
Challenge
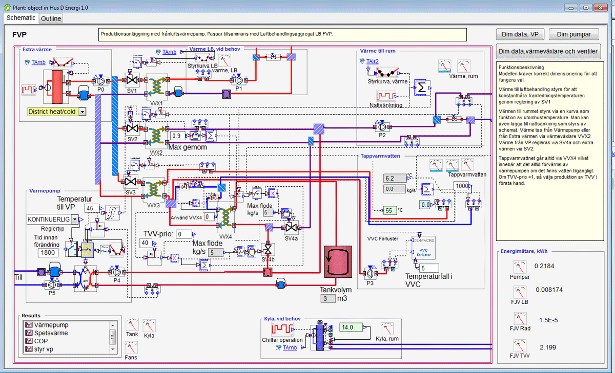
In IDA ICE we have the possibility to create more advanced plant models by using ESBO Plant. By using ESBO plant it is possible to automatically create plants that for example use the exhaust air as a source for a heat pump. This can be useful when you need a rough estimation of the savings that can be achieved. However, a plant made in this way does not cover all aspects of a real plant design and will not simulate the true behavior of a real system layout. Luckily this is not a big problem. When using IDA ICE it is possible to create a plant model that looks like and simulates the real behavior by using the component models of the ESBO plant. In this particular case an exhaust air heat pump that works together with a district heating system was to be created.

Solution
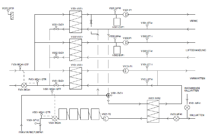
The air handling unit consists of an exhaust fan and a cooling coil. The coil is connected to the plant by using the built in connection between the plant and the cooling coil. A project can consist of multiple air handling units connected.

The Air handling unit connected to the Plant model

A detailed view of the control of the heat pump. Here two different control algorithms can be selected stepwise or continuous.
Result

Deutsch
English
Svenska
Suomi
中文(简体) 
